Academic Output
NERD Programme

National Student Publication Database (Thesis, Projects, Dissertations, etc.)

Thumbnail
Analysis of Poultry Farmers Access to Information in Maiduguri Metropolitant Council, Borno State

Student: Hauwa Boguma Zanna (Thesis, 2025)
Supervisor: Miss Maryam Emmah
Co-supervisor: Miss Maryam Emmah
HOD: Dr Enoch Ali
Department of Agricultural Extension and Management

View Submission
Thumbnail
The Nigerian State and Management of Climate Change 2015/2024

Student: Favour Uchechi Mgbechi (Project, 2025)
Supervisor: Mr Chikwere Akaose
Co-supervisor: Mr Chikwere Akaose
HOD: Prof Peter Mbah
Department of Political Science
University of Nigeria, Nsukka, Enugu State

View Submission
Thumbnail
Construction of Automatic Change Over Switch With Generator Control System

Student: Sama'ila YAKUBU (Project, 2025)
Supervisor: Dr Jamaluddeen Shehu
Co-supervisor: Dr Fa'iza Ahmad
HOD: Prof Fatima Salmanu
Department of Applied Physics
Bayero University, Kano, Kano State

View Submission
Thumbnail
Microbiological Survey of Frequently Touched Car Interior Surfaces.

Student: CHINECHEREM ALOY OKWARA (Project, 2025)
Supervisor: Mr Duru C
Co-supervisor: Mr Duru C
HOD: Mrs A Osikwe
Department of Science Laboratory Technology
Federal Polytechnic, Nekede, Imo State

View Submission
Thumbnail
Design and Implementation of a Real-Time Chat Application

Student: Monday Samuel Francis (Project, 2025)
Supervisor: Dr Rose Izevbizua
Co-supervisor: Dr Rose Izevbizua
HOD: Prof Godspower Ekuobase
Department of Computer Science
University of Benin, Benin City, Edo State

View Submission
Thumbnail
Organizational Culture and Employee Commitment: A Case Study of Nigerian Breweries Plc, Aba.

Student: Oluchi Precious Nwaogbo (Project, 2025)
Supervisor: Mr Larry Achara
Co-supervisor: Prof Eugene Iheanacho
HOD: Dr Kalu Okwuagwu
Department of Management
Abia State University, Uturu, Abia State

View Submission
Thumbnail
Appraisal of Agro-Industrial Fermentation Broths for Safe Management of Root-Knot Nematode (Meloidogyne Incognita) on Cucumber (Cucumis Sativus)

Student: Gideon Eritosin Moses (Project, 2025)
Supervisor: Miss Aishat Anifowose
Co-supervisor: Mr Tolu Tolulade
HOD: Dr Oladimeji Ahmed
Department of Crop Protection
University of Ilorin, Kwara State

View Submission
Thumbnail
Plasmid Curing of Multi-Drug Resistant Bacterial Isolates from Patients With Sinusitis

Student: Uche Vincent Igwe (Project, 2025)
Supervisor: Dr Francisca Babaiwa
Co-supervisor: Dr
HOD: Dr Enosakhare Oloton
Department of Pharmacy
University of Benin, Benin City, Edo State

View Submission
Thumbnail
Study of Constraints Affecting Camel Production in Dambatta Local Government Area

Student: Buhari Aliyu Musa (Project, 2025)
Supervisor: Mr Isma'il Kakudi
Co-supervisor: Mr Isma'il Kakudi
HOD: Dr Ibrahim Madobi
Department of Animal Health and Production Technology
Audu Bako College of Agriculture Danbatta, Kano, Kano State

View Submission
Thumbnail
Assessment of Factors Responsible for Rent Default in Residential Properties in Jaba, Ungogo Local Government Area of Kano State.

Student: Suzzy Mlumum Kume (Project, 2025)
Supervisor: Mr Nasiru Umaru
Co-supervisor: Mr Nasiru Umaru
HOD: Dr Musa Alkali
Department of Estate Management and Valuation
Bayero University, Kano, Kano State

View Submission
Thumbnail
Plasmid Curing of Multi-Drug Resistant Bacterial Isolates from Patients With Sinusitis

Student: Uche Vincent Igwe (Project, 2025)
Department of Pharmacy
University of Benin, Benin City, Edo State

View Submission
Thumbnail
Assessment of International and Local Broadcast Media Consumption Patterns Among Undergraduate Students of University of Nigeria, Nsukka.

Student: Anita Kadiri Omoshioke (Project, 2025)
Supervisor: Dr Robert Ezeawnu
Co-supervisor: Dr Robert Ezeawnu
HOD: Prof Joseph Wogu
Department of Mass Communication
University of Nigeria, Nsukka, Enugu State

View Submission
Thumbnail
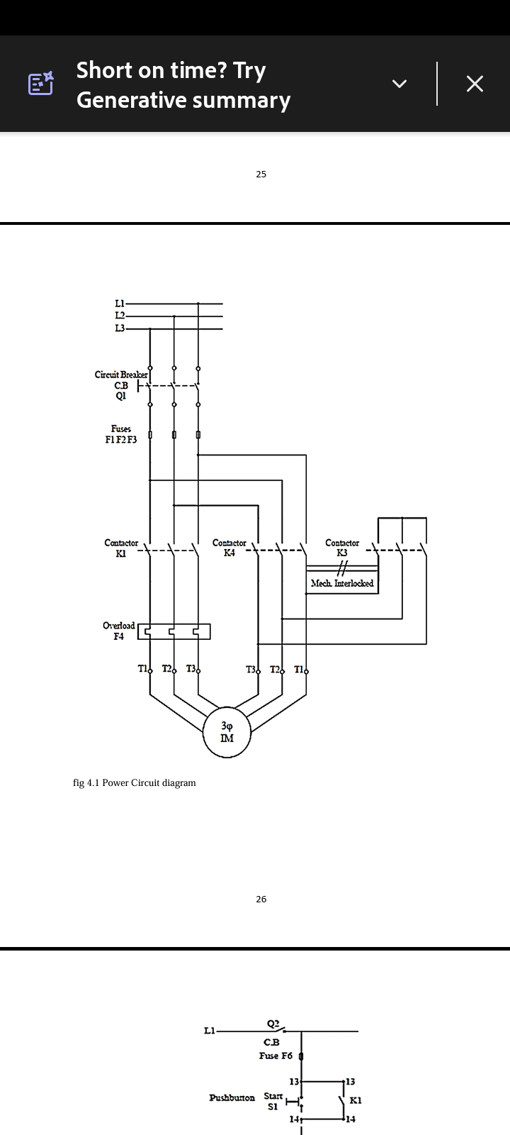
Design, Construction and Improvement of a Practical Module for an Induction Motor's Star Delta Starter

Student: Ibrahim Garba Hassan (Project, 2025)
Department of Electrical /Electronics Engineering
Kano State Polytechnic, Kano, Kano State

View Submission
Thumbnail
Electoral Reforms and Election Outcomes in Nigeria

Student: Obiora Wisdom Nwagu (Project, 2025)
Supervisor: Prof Ifeanyichukwu Abada
Co-supervisor: Dr Chikwado Ezugworie
HOD: Prof Peter Mbah
Department of Political Science
University of Nigeria, Nsukka, Enugu State

View Submission
Thumbnail
Comparative Analysis of Nmap and Zenmap in Penetration Testing and Network Analysis

Student: Joseph Adeolu Ogunbamowo (Project, 2025)
Supervisor: Mrs Murja Gadanya
Co-supervisor: Mr Hussaini Yusuf
HOD: Dr Faruku Ambursa
Department of Information Technology
Bayero University, Kano, Kano State

View Submission
Thumbnail
A Comparative Study of Privkit and Winpeas for Identifying Privilege Escalation Vulnerability in Window Environment

Student: Abdullatif Abdullahi Musa (Project, 2025)
Supervisor: Dr Mohammad Jibril
Co-supervisor: Dr Mohammad Jibril
HOD: Dr Umar Armbusa
Department of Information Technology
Bayero University, Kano, Kano State

View Submission
Thumbnail
Development of a Speech Recognition System Utilizing Convolutional Recurrent Neural Networks

Student: Faisal Aminu (Project, 2025)
Supervisor: Mr Bello Muhammad
Co-supervisor: Mr Muhammad Ubale
HOD: Dr Abdulkadir Hassan
Department of Cyber Security
Nigerian Army University, Biu, Borno State

View Submission
Thumbnail
Comparison of the Fasting Blood Glucose Levels of Some Rural and Urban Elderly Adult Populations from Etche and Obio-Akpor Local Government Areas of Rivers State

Student: Ogeoma Ngozi Anowai (Project, 2025)
Supervisor: Prof Catherine Ikewuchi
Co-supervisor: Prof Jessie Ndem
HOD: Prof Francis Anacletus
Department of Biochemistry
University of Port-Harcourt, Rivers State

View Submission
Thumbnail
A Review Work on Optoelectronics in Industrial Sensing

Student: OGHENETEGA SAMUEL AKHIGBE (Project, 2025)
Supervisor: Dr Samuel Okunzuwa
Co-supervisor: Dr Samuel Okunzuwa
HOD: Prof Chriistopher Aigbogun
Department of Industrial Physics
University of Benin, Benin City, Edo State

View Submission
Thumbnail
Physiochemical Properties of Oil Extracted from Fermented Oil Bean Seed

Student: Chinaza Mary Nwafor (Project, 2025)
Supervisor: Prof Ikechukwu Ubaoji
Co-supervisor: Dr Kingsley Asogwa
HOD: Prof Michael Enemali
Department of Applied Biochemistry
Nnamdi Azikiwe University, Awka, Anambra State

View Submission