National Student Publication Database (Thesis, Projects, Dissertations, etc.)
Design of Social Networks Web Applications for Collaborative Learning
View Submission
Lessons to Be Derived from Verse 49-70 of Suratul Zumar. For Contemporary Muslims
View Submission
The Impact of Bvas on Electoral Fraud in the 2023 Gubernatorial Election in Bauchi Metropolis
View Submission
Socio-Economic Analysis of Pumpkin (Cucurbita Spp.) Production by Small Scale Farmers in Lafia Lga of Nasarawa State, Nigeria
View Submission
Utilization of Various System Models on Interest and Perception of Biology Student in Selected Senior Secondary Schools in Nasarawa Local Government, Kano.
View Submission
Christian Religious Studies Teachers' Qualification and Academic Performance of Secondary Schools Students in Uyo Local Government Area, Akwa Ibom State
View Submission
Utilization of Various System Models on Interest and Perception of Biology Student in Selected Senior Secondary Schools in Nasarawa Local Government, Kano.
View Submission
Smes Financing and Nigeria Economic Development
View Submission
Money Politics and Election in Nigeria: (A Case Study of Kudan Local Government Area of Kaduna State 2023-2024)
View Submission
Determinants of the Uptake of HIV Counselling and Testing Among Residents of Elele Community
View Submission
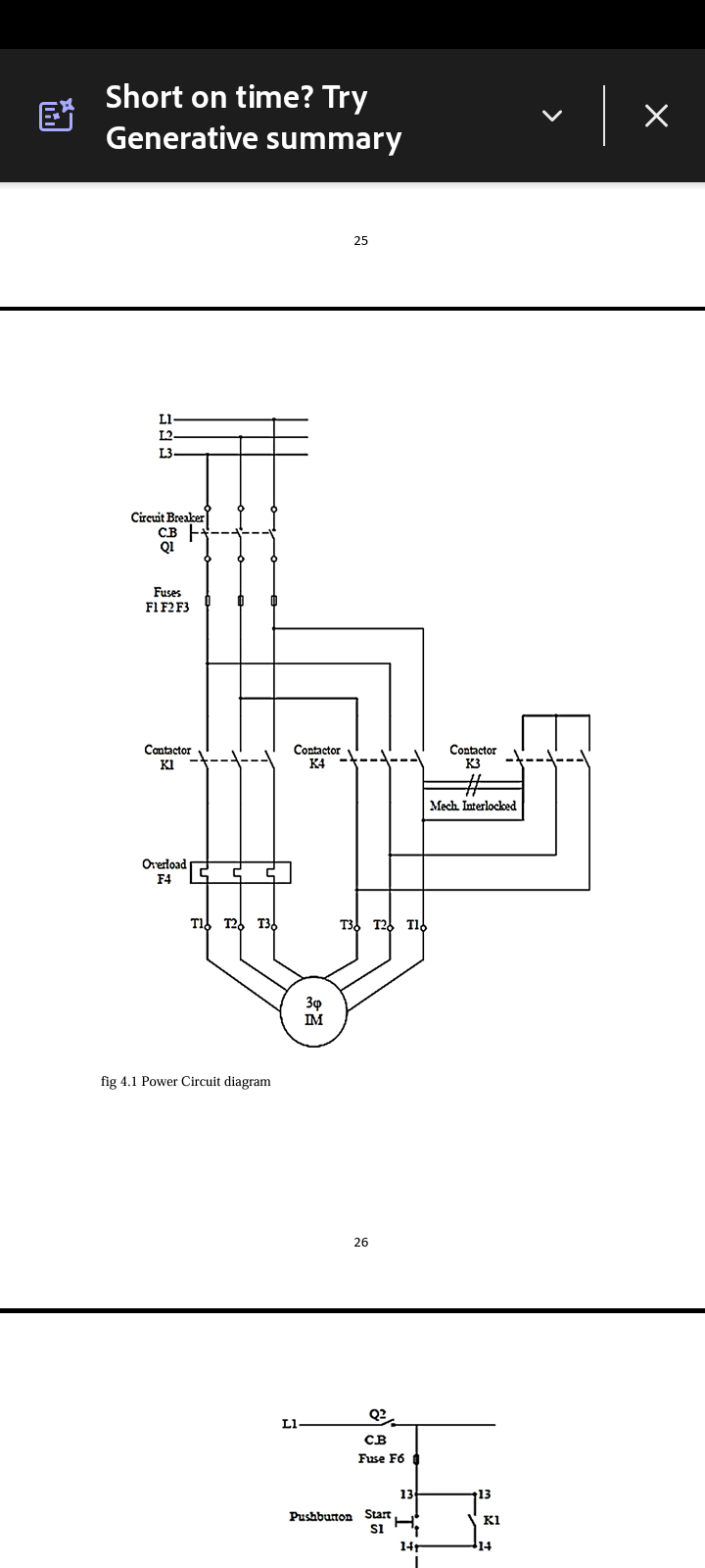
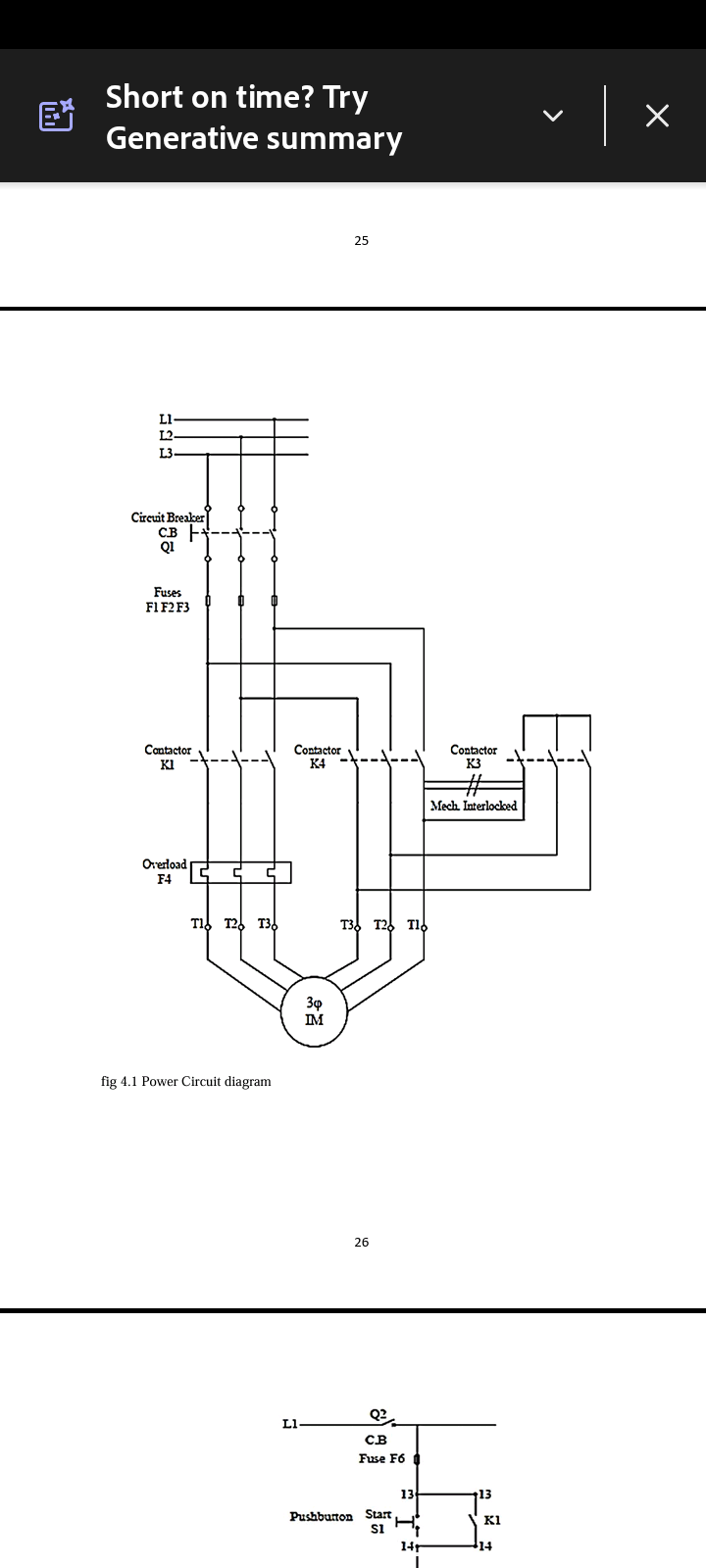
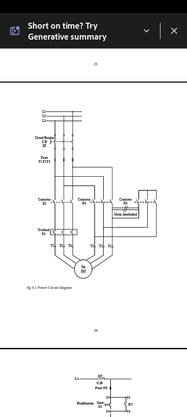
Design, Construction and Improvement of a Practical Module for an Induction Motor's Star Delta Starter
View Submission
Comparative Analysis of the Old and New Advertising Codes
View Submission
Determinants of Labour Turnover in Ekiti State University from 2016 to 2023
View Submission
Effect of Different Inclusion Levels of Mango (Mangifera Indica) Leaves Extract on the Internal Organ Weight of Broiler Chicken
View Submission
Performance Evaluation of Geopolymer Stabilized Soil
View Submission
Foreign Aid & Economic Development in Nigeria, 2015-2023
View Submission
Evaluation of Airborne Microorganisms Associated With Retail Shops Located Within Federal Polytechnic Nickede, Owerri.
View Submission
Design, Construction and Improvement of a Practical Module for an Induction Motor's Star Delta Starter
View Submission
Design, Construction and Improvement of a Practical Module for an Induction Motor's Star Delta Starter
View Submission